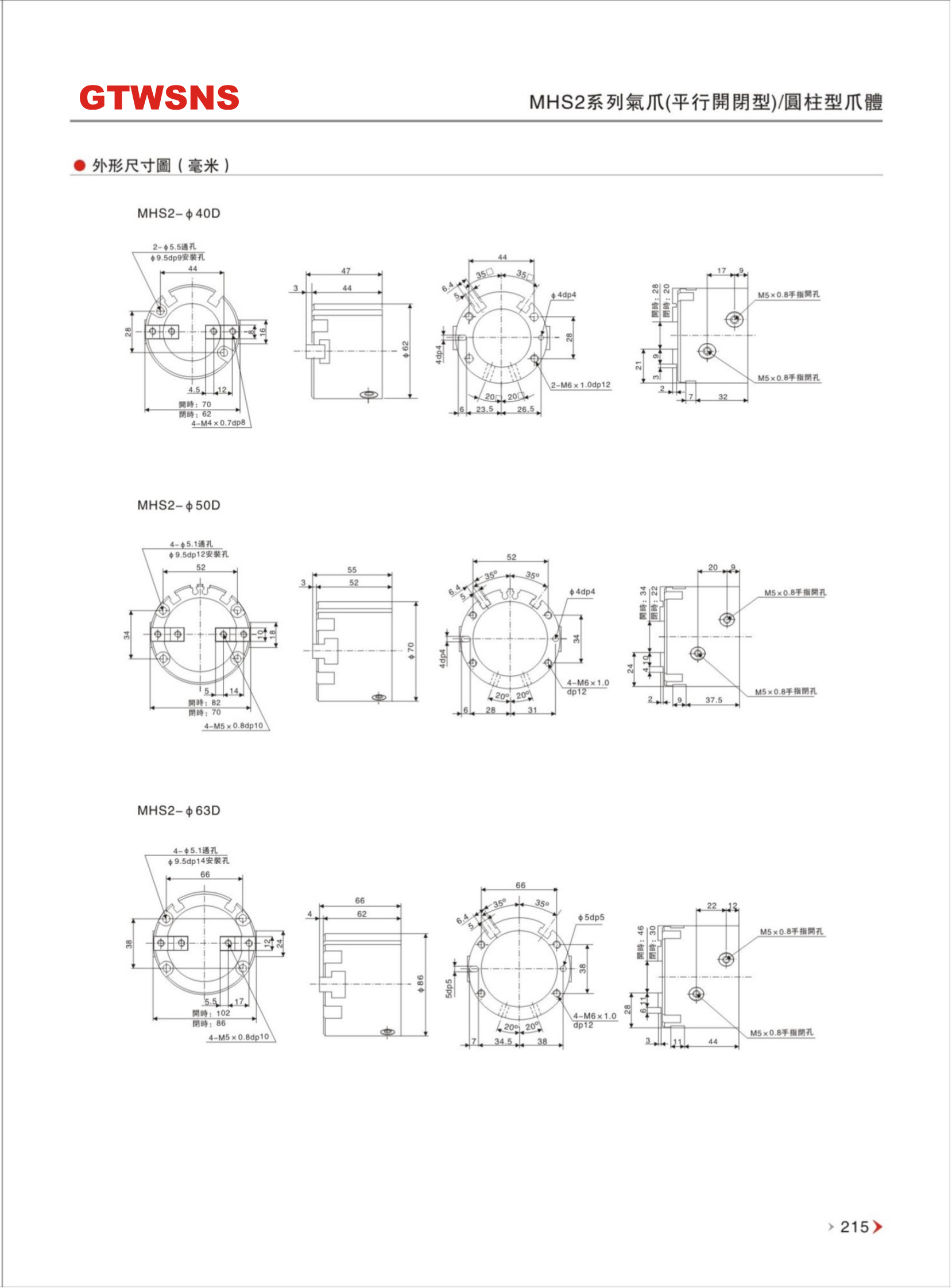
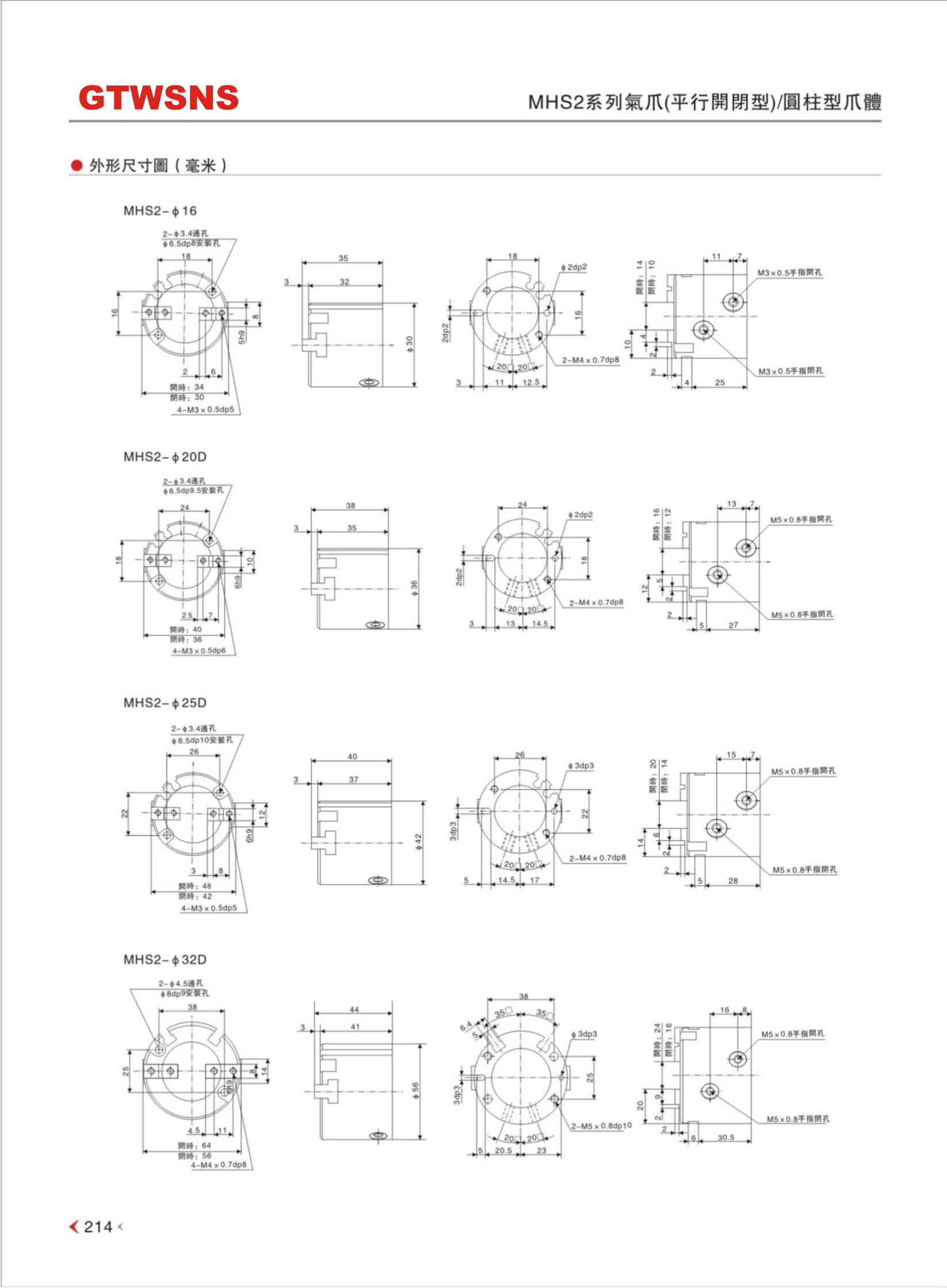
MHS2系列 平行开闭型/圆柱形 φ16~φ63

MHS2系列 平行开闭型/圆柱形 φ16~φ63

产品特性