主页
关于企业
荣誉资质
发展历程
集团动态
公司动态
行业动态
产品目录
气体处理
气阀控制
缸类执行
管接辅件
自动成套
气动工具
液压元件
电缸模组
工业应用
联系我们
CHN
产品目录 / Product Catalog
首页
产品目录
缸类执行
标准气缸
;
气体处理
VR20/YDK/HAD自动排水
QFRH/QFLH系列E
QIU/QSL/QTY系列
SFC/SFR系列E
UFRALUFRL系列E
减压阀/油雾器/二/三联件
LOE/LFLR/LFR/FRC系列
过滤器/调压阀/二/三联件
空气过滤器组合/调压阀
IR/AW/AL/AR/AF/AC系列
气阀控制
电磁脉动阀系列
JZF角座阀系列
换向阀系列
气控阀系列
控制阀系列
控制器系列
比例阀
快速排气阀系列
单向节流阀
脚踏阀系列
钮子阀系列
机械阀系列
手转阀/手扳阀/手滑阀系列
电磁阀系列
其它
缸类执行
标准气缸
迷你气缸
超薄气缸
精密滑台气缸
双轴及三轴气缸
增压缸
油缸
自由安装气缸
焊接夹紧气缸
旋转夹紧气缸
液压缸
止动气缸
摆动气缸
气缸附件
无杆气缸
活塞气缸
多位固定气缸
气动夹
精密滑臺气缸/气动滑臺/导轨
带導轨气缸
双杆气缸
PB筆型气缸
微型/针型气缸
緊凑型气缸
RQ系列气缸
ACQ系列超薄气缸
CQS/CQ2薄型气缸
轻型气缸
气缸附件系列
气动手指、气爪
管接辅件
油压缓衝器
快插接头/快速接头系列
快插接头/不锈钢接头系列
PU气管/各类管/风枪系列
磁性开关
消声器
真空发生器系列
“阀”类系列
其他附件系列
自动成套
气动工具
液压元件
电缸模组
需要帮助吗?
TEL: 0577-12345678
Contact us
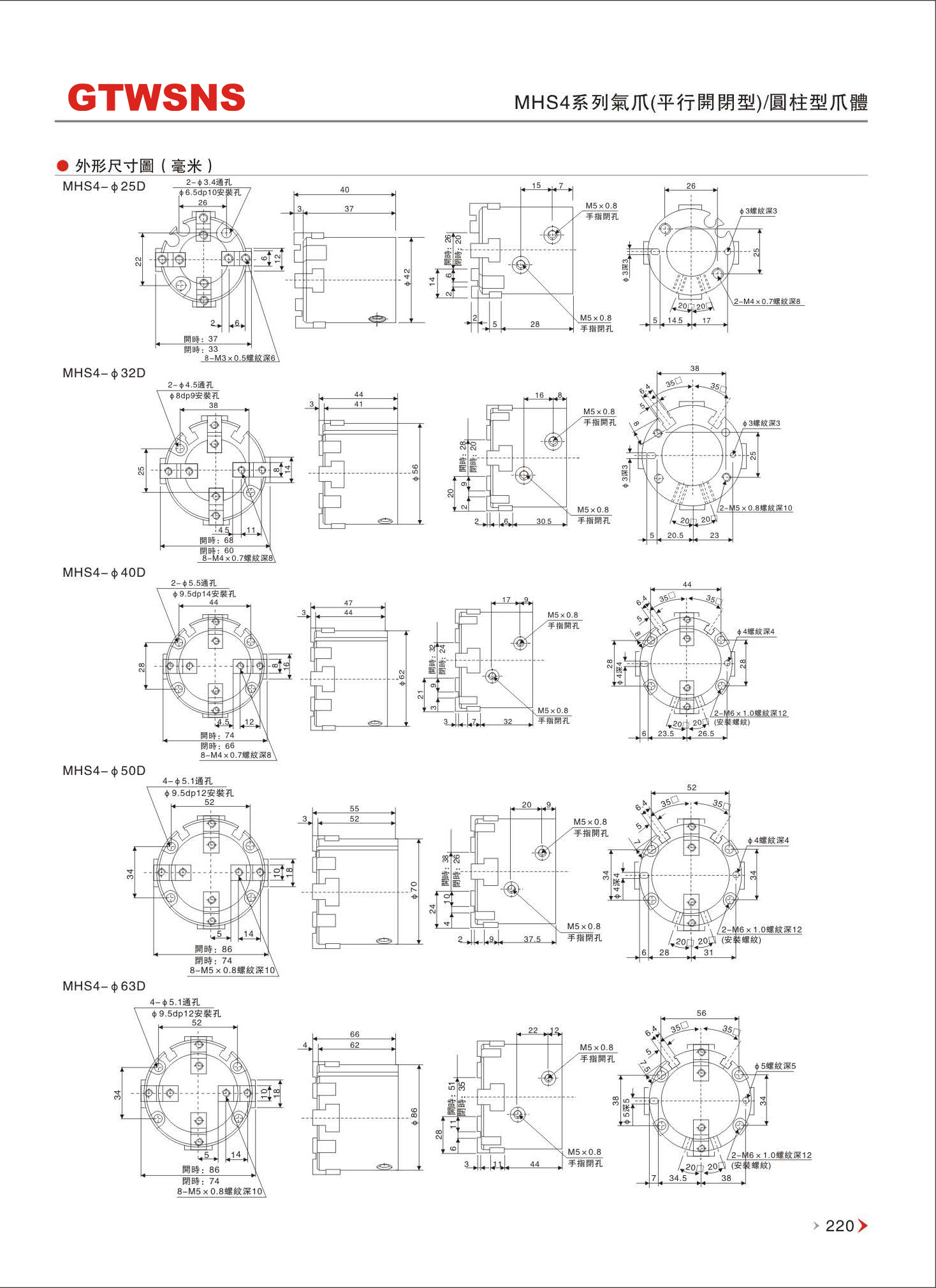
MHS4系列 平行开闭型/圆柱型 φ16~φ63
电子邮箱
gtwsns@gtwsns.com
联系电话
86 0577-00000000
给我留言
联系方式
产品特性